Всички видове ел схема за свързване на бойлер Елдом, които са ви необходими. Включване към водопроводната система
Бойлерите Елдом се съпровождат с инструкция от производителя, която визира монтирането, ползването и обслужването на уредите. Тази инструкция не е предназначена за самостоятелно справяне с монтажа от непрофесионалисти. Задължително е бойлерите да се монтират от правоспособни лица, които са се запознали с инструкцията. В противен случай купувачът няма да се ползва от гаранционните облаги.
| Поредност на работа при монтаж на бойлер | |
|---|---|
| Дейности | Номера на схеми |
| Монтиране на уреда към стената | схема № 13, 14 |
| Свързване към водопроводната инсталация | схема № 8 |
| Свързване към електрическата инсталация | схема № 10 – 14 по модели |
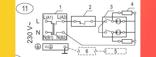
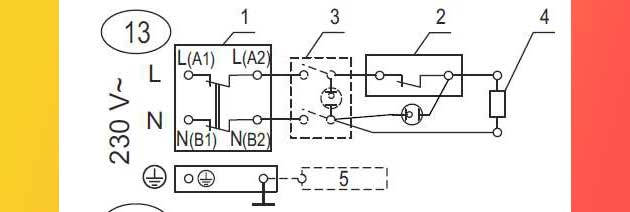
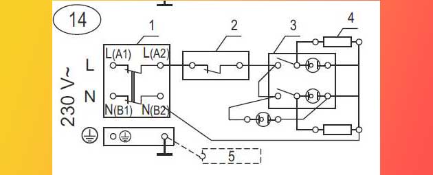
Схема за свързване на бойлер Елдом към електричеството
Пристъпва се към свързване към ел. инсталацията след като:
- резервоарът се напълни с вода;
- заземителният контур на инсталацията се свърже към бойлера;
- помещението се подсуши, ако присъства фабрично монтиран захранващ шнур с щепсел.
Тук публикуваме 5 електрически схеми, които се отнасят към 5 типа модели Елдом.

Във всички схеми означенията са идентични и означават следното:
- 1 – Термоизключвател – управляващо устройство, което е с температурна настройка 85 °С. То се монтира в кръга на нагревателя и не позволява по време на работа температурата да преминава границата. При загряване над 85 °С се задейства термоизключвателят и изключва нагревателя.
- 2 – Терморегулатор – максималната му настройка позволява водата на изхода на бойлера да е затоплена до 70°С, плюс / минус 5 °С
- 3 – Ключ – свети, докато уредът е в работен режим (модели SVxxxyy)
- 4 – Нагревател
- 5 – Анод
- 6 – Аноден тестер – индикира антикорозионната защита и степента на износване на анода (5)
- 7 – Светлинен индикатор – показва действието на терморегулатора, след изключване на бойлера индикаторът остава включен (модели SVxxxyyD)

Схема за свързване на бойлери Елдом модели WVxxxyyD(A)
Ел. захранването е 230 V. Осигурява се отделен токов кръг за бойлера.
Съдържание
- Всички видове ел схема за свързване на бойлер Елдом, които са ви необходими. Включване към водопроводната система
- Схема за свързване на бойлер Елдом към електричеството
- Схема на свързване на бойлер към водопровода
- Майстори и фирми, към които можем да се обърнем
- Инструкция за свързване и за правилно включване
- Различни видове схеми при бойлерите Елдом
- Техническо описание на бойлерите
- Инсталиране на бойлера към стената
- Използване на бойлерите Елдом
Производителят настоятелно препоръчва токовият кръг да има автоматична защита от утечки.
- Кабелът за свързване е с три жила – фазово, защитно и неутрално жило, всяко по 2.5 мм. За предпочитане е защитният проводник да няма междинни съединения, но ако има, да се осигури саморазхлабване.
- Проводниците от токовия кръг на бойлера се свързват към в главното ел. табло, в допълнителното устройство и в точката на присъединяване към ел. инсталацията. Монтира се ел. предпазител със следните параметри – 10 А за бойлери до 2 kW и 16 А за бойлери от 3 kW.
- Свързване на захранващия кабел към уреда: сваля се пластмасовото капаче от клемите, без да се разединят проводниците. От вътрешната страна на капачето е залепен стикер с електрическата схема, която важи за конкретния модел и вариант на бойлера. Необходимо е да се следва.

Схема за свързване на бойлери Елдом модели 722xxW(N); 722xxW(N)G; 722xxW(N)DG; SVxxxyyDG
Начин на свързване (даваме две означения, които се използват при различните модификации):
- Фазовото жило – към клема L или А1;
- Неутрално жило – към клема N или В1;
- Защитно жило – към клема със знака за заземяване.
Кабелът се фиксира в скоба срещу преместване и капачето се връща на мястото и се завинтва, без да засегне проводниците.

При фабрично монтиран шнур със щепсел, щепселът се присъединява към контакт от инсталацията, която е изправен и заземен. Използва се отделен контакт, предназначен само за бойлера. Той трябва да е от отделния токов кръг на бойлера и да е достъпен постоянно по време на експлоатацията на бойлера.
След свързване на бойлера се проверява функционалността му. Това се извършва от специалисти, с цел да се спазят гаранционните условия и да се съхрани гаранционното обслужване.

Още нещо интересно ТУК: Кой е най-добрият проточен бойлер за баня? Мнения. Модели за кухня и под мивката.
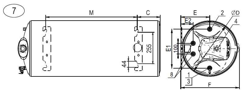
Схема на свързване на бойлер към водопровода
- Изискване към водната инсталация на имота: да издържа темп. над 80 °С и на моменти пикове над 100 °С и налягане два пъти над работното за бойлера (описано е в книжката);
- Изискване към монтажа: да се следват стрелките и да се спазят указателните пръстени на тръбите (за топла – червен цвят, студена – син цвят);
Принципна схема виждаме на фигура 8.

Означения в схемата:
- 1 – Водонагревател
- 2 – Вход вода
- 3 – Изход вода
- 4 – Спирателен кран
- 5 – Комбиниран вентил – присъства в комплекта на бойлера, предпазва от връщане на вода. Вентилът е или фабрично монтиран, или е в опаковката и трябва да се монтира на тръбата за студена вода, като се спази стрелката на неговия корпус (показва посоката на протичане на водата);
- 6 – Редуцир вентил – понижаващ налягането вентил, който се монтира задължително при налягане на водопровода над 0,5 MPa;
- 7 – Студена вода
- 8 – Топла вода
След като бойлерът се свърже към ВиК – инсталацията, резервоарът се пълни с вода.
Необходима последователност:
- Отваря се кранът за топла вода на най-отдалечената смесителна батерия;
- Отваря се спирателният вентил (означение 4);
- Системата се обезвъздушава до появата на плътен силен поток вода;
- Затваря се кранът за топла вода на смесителя;
- Повдига се лоста на комбинирания вентил (означение 5);
- Изчаква се до 60 сек. за потече плътен поток вода от страничния отвор;
- Лостът се отпуска.
Слабата струя вода показва неизправност във водопровода, връзките или комбинирания вентил. При тази ситуация НЕ СЕ ПРЕМИНАВА към свързване с ел. мрежа, а се отстранява неизправността.
Източване на вода от водосъдържателя:
- Изключва се бойлерът от ел. мрежата от доп. устройство и от ел. предпазителят;
- Спира се достъпа на студена вода чрез затваряне на кран 4;
- Отваря се крана за топла вода на смесителя;
- Лостът на комбинирания вентил 5 се вдига и се чака да спре изтичането на вода (пълно изпразване на резервоара).
- Бойлерът не се включва обратно към мрежата, ако резервоарът му празен (без вода).
Майстори и фирми, към които можем да се обърнем
- Фирмен сервиз на Елдом в София (продава с транспорт и монтаж) – адрес ул. „Георги Минчев“ №18, тел 0888 05 40 05. Втори сервиз на адрес ул. „Хубча“, блок 195, тел. 0882 45 55 03. Доставката е безплатна, монтажът се заплаща. Поръчки онлайн eldominvest.com или по телефон.
- BOILERIBG (boileribg.com) в София – монтаж и ремонт на всички модели бойлери с възможност за спешно посещение до 40 минути. Посещения се резервират онлайн или на тел. 0885629421. Адрес на сервиза ул. Ильо Войвода 27, Сф;
- Майстор Дом (maistordom.com) в София транспортира новозакупения бойлер, демонтира предходния уред и монтира новия (монтаж към стена/ таван, към В и К и към ел. инсталация). Цена 100 – 150 лв според обема на бойлера. Заявка онлайн или на тел. 0896 344 199. Адрес на сервиза ул. „Иван Сусанин“ 73, Сф;
- Фирмен сервиз на Елдом в Пловдив – адрес Брезовско шосе № 176, тел. 0886 37 34 34. Доставката е безплатна, монтажът се заплаща. Поръчки онлайн eldominvest.com или по телефон.
- Викпловдив (vikplovdiv.com) – подготовка на мястото и свързване. Според действащия ценоразпис монтаж е в рамките на 60 – 80 лв, демонтаж на предходния уред – 20 – 30 лв. Единствена възможност за контакт е интегрираният чат в сайта vikplovdiv.com/контакти/;
- Фирмен сервиз на Елдом във Варна – адрес Владислав Варненчик № 275 А, тел. 0885 502 577. Същите условия.
- ВН Сервиз Бургас – запазване на часове по тел. 089 358 9636. Обслужва 30-километров периметър около морския град;
- Викбургас (vikburgas.com) монтира бойлери на цена от 60 – 80 лв, демонтаж на предходния уред – 20 – 30 лв. Контакт само през интегриран чат в сайта vikburgas.com/контакти/;
- Сервиз в Русе – викуслугирусе.com, работи без прекъсване и в уикендите. Заявка на тел. 0897 333 487.

Инструкция за свързване и за правилно включване
Инструкцията на производителя съдържа цялата необходима информация, за да се свърже правилно бойлер Елдом. Въпреки това има непреодолимо изискване за извършване на монтажа от правоспособен техник.
Компания Елдом извършва собствен монтаж срещу заплащане с правоспособни специалисти. По този начин се осигурява правилно изпълнение и валидна гаранция. Тази услуга е достъпна за градовете с фирмени магазини, сервизи и логистични бази, които са София, Пловдив и Варна.
Неизправности и проблеми
- Бойлерът не затопля – проверете външното устройство, светещият ключ и ръкохватката на термостата (всички трябва да са включени / отворени). Ако всичко е наред, обадете се в сервиз.
- Не изтича вода (топла) или струята е слаба – отворете смесителя до крайно положение. Ако не потече, проверете дали е спряно централно водоподаването и дали не е затворен спирателният кран преди нагревателя (пункт 4 от фигура 8). Ако всичко е отворено и изправно, значи филтърът на изхода е задръстен. Изключете външното устройство и се обадете в сервиз.
- За бойлери с електронно управление – на дисплея се изписват съобщения за грешки. Изключете ел. захранването и се обадете в сервизна фирма.
- При повреда на шнур / щепсел, обърнете се към сервизна фирма, за да се уважи гаранцията.
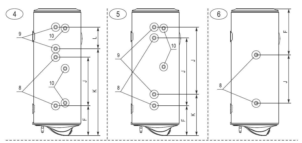
Различни видове схеми при бойлерите Елдом
В инструкцията на Елдом има обща схема за устройството на бойлерите (принципна) и конкретни схеми за свързване на уреда към ел. и В и К инсталациите, както и за монтаж на стената. В съпътстващата документация се съдържа цялата информация за специалисти.
Техническо описание на бойлерите
Водонагревателите Елдом са произведени за битови условия. Те са проектирани да осигуряват загрята вода за кухня и баня (няколко бани) едновременно.
Те са разчетени за характеристиките на водопроводната питейна вода в България, която съдържа хлориди под 250 мг/л, pH 6,5 – 9,5, налягане между 0,1 МРа и 0,5 МРа.
За различни от тези параметри (основно по-високо налягане) се произвеждат отделни модификации на Елдом, които работят с налягане до 1 МРа. Информирайте се преди закупуване, за да изберете правилния за вас модел.
Принципна схема на устройството на бойлерите Елдом (схематично устройство на основните модификации – схеми от 1 до 7 – виж фигурата по-долу).

Означенията на всички схеми са идентични:
- Вход за постъпване на студената вода
- Изход за изтичане на топла вода
- Комбиниран вентил
- Ключ
- Терморегулатор
- Аноден тестер
- Електронен блок
- Светлинен индикатор

Техническите данни на отделните модели и модификации са дадени в таблици, които в официалното упътване са номерирани като 1, 1a, 2 и 2a. Всички фигури и таблици са поместени на първите страници от упътването.
Инсталиране на бойлера към стената
Изискване към помещението:
- пожарна обезопасеност;
- температура над 0 °С (винаги и без изключение);
- наличие на сифон за оттичане на вода;
- сухо помещение, ако бойлерът е с фабричен шнур и щепсел.

Изискване към мястото на разполагане:
- Да е защитено от пръскане и обливане с вода;
- Минимално разстояние от точката на смесителя (за по-малки загуби на топлина);
- В близост да има контакт, който е видим и не се закрива при монтажа.
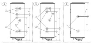
Болерът се монтира неподвижно с шпилки 10 – 12 мм. Елементите да издържат товар, 3 пъти по-голям от уреда. На фигура 7 се виждат отстоянията на болтовете.

Отстояния:
- Вертикален бойлер – 70 мм до тавана, 50 мм до стена, 350 мм под уреда за манипулации по обслужването и ремонт
- Хоризонтален бойлер – 70 мм до тавана, 70 мм до стена, 350 мм между пластмасовия капак и стената за манипулации по обслужване и ремонт;
- Бойлер с топлообменници – да се остави разстояние до изводите на серпентините и муфите за допълнителни термостати и др. устройства.
Използване на бойлерите Елдом
Поддържането на бойлерите включва:
- Периодично почистване на резервоара от варовик, който се натрупва в зоните с варовита вода, максимален период на почистване – 2 години. Мястото на отлагане се почиства със суха кърпа, без да се изстъргва с абразиви;
- Преглед на анода на резервоара – извършва се в рамките на гаранционното обслужване и след това при почистване от варовик;
- Периодична проверка на комбинирания вентил – повдига се лоста, изчаква се до 60 сек. от страничния отвор да потече плътна, непрекъсната струя. Проверка – не по-рядко от веднъж на 2 седмици и винаги при спиране и пускане на водата (водоснабдяването). Целта е да се установи запушване на вентила от замърсители. Ползване на бойлера с неизправен вентил е опасно!
- Външната обвивка и пластмасовите елементи се почиства с влажна памучна кърпа, без абразиви и препарати. Не се прилагат парочистачки. Не се навлажнява ключът и индикаторът.
Вижте и ТОВА: Какъв нагревател за вода Делимано да вземем от Кауфланд? Нагреватели за мивка. Вертикален смесител и др.

Марта Савова е журналист от кариерата с многогодишен опит, предимно ориентиран в сферата на потребителската и социалната тематика, културата, техниката и икономиката. За контакт ползвайте имейла ѝ: martasavova@yandex.ru. За информацията си се допитва до свои авторитетни съветници, сред които има професори.

![Мнения за най-добрите модели камина с водна риза на дърва. Каква камина с водна риза да изберем за 35 кВ, за 100 кв.м. []'\](https://preporachai.com/wp-content/uploads/2024/01/kamini-s-vodna-riza-na-darva-01-390x220.jpg)


Значи и монтажът към стената не е лаишка работа. Виждал съм изхлузени бойлери заради мека стена или некачествен монтаж на болтове и куки с неправилния наклон.
Монтажът не е труден, но заради гаранцията трябва да се плати. В моя град (Монтана) е 100 лв, какъвто и да е бойлера.
Виждали ли сте гръмнал бойлер? Ако сте, няма да пипнете и с пръст. викай майстор!